初学电工必看:自锁与互锁电气控制电路原理详解
自锁与互锁作为电动机最基础的二次线保护方式,是每个电工都必须学会并且熟练运用的。本篇内容适合初学者或者对电工感兴趣的人。
一般来说,学习电动机正反转可以更直观的理解自锁和互锁的用途,这在我们之前的文章里讲过(请戳电工史上最详解:电机正反转)。今天我们来介绍自锁和互锁的疑难点。
首先对自锁和互锁的概念要清楚:
自锁:依靠接触器自身辅助触头而保持接触器线圈通电的现象。
互锁:利用接触器常闭辅助触头作为相互制约的控制关系。
蒙圈了对不对?没关系,让我们用人类的语言翻译过来再看——自锁和互锁运用到的元件,都是接触器。自锁是利用自身回路接触器里的常开触点,以保证自己回路持续通电;互锁是利用旁路接触器里的常闭触点,以保证旁路和自身回路不会同时供电。
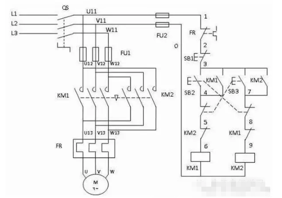
首先我们要先认识一下接触器的特点——接触器一般有6个接线柱,其中3个是常开触点,2个是常闭触点,1个是线圈。当线圈通电时,所有常开触点闭合,所有常闭触点断开。
为了更方便理解,请先看电路图:
自锁
该图中,左侧为主回路,右侧为二次回路(为了方便看清,我们把主回路和二次回路连接处省略了)。此时我们只看二次回路,SB2为常开按钮,下方KM为接触器线圈,上方KM为接触器常开触点。若没有接触器的参与,即没有图中所有标有KM的地方,则SB2按下时回路通电,松开则断电(常开按钮特点,启动按钮都使用常开按钮)。因此我们接入了接触器线圈,并且把常开触点和SB2并联。由此就产生了按下SB2时线圈瞬间通电从而闭合常开触点,以保证松开SB2时回路依然有电的效果。
互锁
同样只看右侧的二次回路。互锁分为机械互锁和电气互锁。
机械互锁:此时的SB2使用的带有机械互锁的按钮,当SB2所在回路正常工作时,由于“5”上方的常闭电处于通电状态,因此与之虚线连接的SB3按钮按下后无反应。
电气互锁:当SB2所在回路通电时,接触器KM1的线圈供电,此时“8”下方的KM1常闭触点断开。从而避免了两个回路同时供电。
参加文昌电工培训,技能+证书+高薪就业无忧!
咨询电话:027-88081998
学校地址:武汉市武昌司门口民主路23号(民主路户部巷步行街瑞苗城内)
乘车路线:
1、武汉火车站、武昌火车站、汉阳王家湾乘地铁4号线复兴路站下D出口出,走到省人民医院门前乘578、573、717、539路公交车在解放路后长街站下,前行50米在司门口天桥下左转,进入民主路户部巷步行街,向江边方向步行3分钟即到。
2、汉口火车站、光谷方向乘地铁2号线在积玉桥站下A出口附近转乘514、539、542路公交在临江大道汉阳门站下车,对面即到民主路户部巷步行街,前行3分钟即到武汉市文昌高级职业学校


